| Contact Us For Quotation | Email: 464560351@qq.com | Whatsapp&Wechat:+8618620373879 |
Testermeter- MMCOH200..1000 Hall effect current sensors Switching Power Supplies
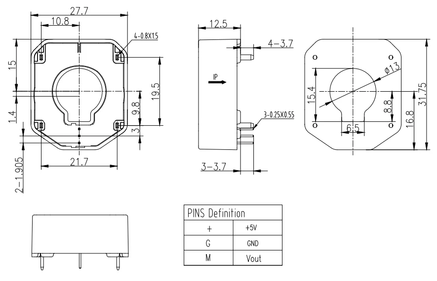
| This series of Hall-effect current sensors is suitable for isolated and accurate measurement of AC, DC, and pulsating current. It is completely insulated with the primary and secondary sides while measuring. Advantages: _ Low insertion loss _ Low power consumption _ Small size _ Large measuring current range _ Strong anti-interference capability |
English

